SK-LOK Home
ꄲ
Fittings
ꄲ
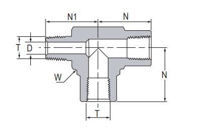
LWTMT Street Tee / Female 3/8 NPT x Male NPT x Male NPT Steel Pipe Fittings / Industrial Hydraulic Adapter / 6000psi Street Pipe Run Tee / Tube Fittings Instrumentation Street Tee Pipe Fittings
LWTMT Street Tee / Female 3/8 NPT x Male NPT x Male NPT Steel Pipe Fittings / Industrial Hydraulic Adapter / 6000psi Street Pipe Run Tee / Tube Fittings Instrumentation Street Tee Pipe Fittings
Created on:2021-01-05 16:54

